Présentation du projet

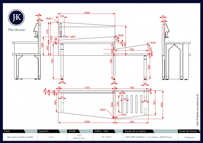
Notre client souhaitait redynamiser ses chambres vieillissantes, pour se faire nous avons retraité les espaces, les lumières ainsi que l’ensemble du mobilier pour répondre à une offre standard.

Un projet similaire ? Contactez-nous !

Lieu
Vittel

De l’idée à la matière

Avant
Plan 3D